Проекты домов Оформить
ипотеку
Стройматериалы Участки Строительство
Выберите свой регион строительства
Крымский федеральный округ
Крым
Close mobile menu

Характеристики дома:

Площадь дома

499 m2

Кол-во жилых комнат

5
Индивидуальное проектирование

Хотите изменить планировку?

Отправьте запрос архитектору и обсудите с ним ваши идеи по перепланировке.

О проекте

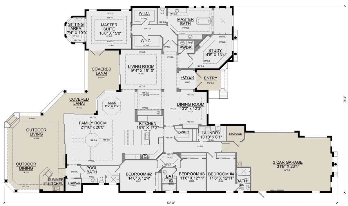
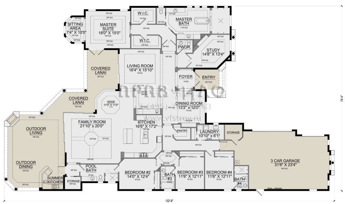
S5-393 (5565-00101) Это иностранный проект, для которого требуется адаптация под нормы, действующие в Российской Федерации. Вы видите проект дома в прибрежном стиле. В этом доме сочетаются черты сельской постройки и аскетичность лофта. Внутри жильцы смогут проводить время с максимальным комфортом. Обратим внимание, что сейчас на планировках все размеры представлены в футах. Для перевода в метры вам необходимо значение в футах умножить на 0,3048.
Это проект одноэтажного дома с гаражом на две машины жилой площадью 393 кв.м. Длина дома 40.2 м, ширина 22.6 м, высота 8.8 м. В доме четыре спальни и четыре санузла.
Большая площадь участка позволяет выбрать одноэтажный проект дома, особенно если в семье есть пожилые люди, инвалиды или маленькие дети.
Поскольку этот проект разрабатывался иностранными архитекторами, для строительства дома требуется переработка проекта под действующие в России нормы. Данные визуализации проекта представлены для ознакомления с концепцией проекта. Проект разработан американским архитектурным бюро и представлен America's Best House Plans.

Аккредитованы в ведущих банках

Корзина
Ваша корзина пуста
Выберите в каталоге интересующий товар и нажмите кнопку "В корзину"
Отложенные товары
Отложенных товаров нет
Выберите в каталоге интересующий товар и нажмите кнопку "В избранное"
Заказать звонок